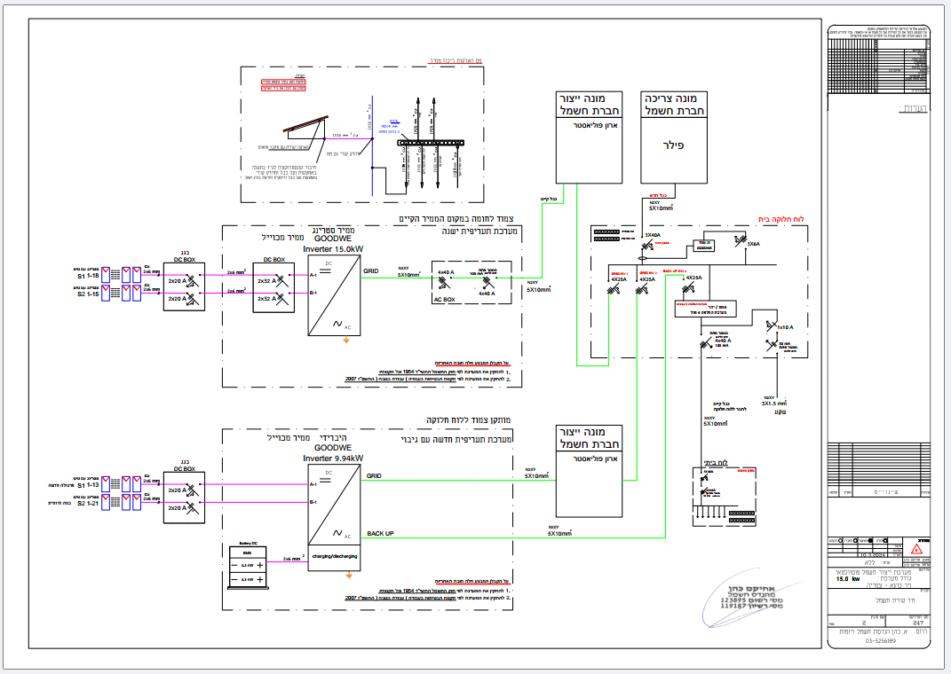
מערכת היברידית הכוללת ממיר 20 קוואט שכוייל ל10 קוואט
13 פנלים של סולאר ספייס 595 וואט
בנק מצברים 6.6 קוואט
מערכת החלפה עם לוח חשמל מובנה של חברת כהנא
המערכת חוברה לבית פרטי עם מערכת תעריפית קיימת ישנה ששודרגה בהחלפת פנלים וממיר חדש 15 קוואט
תאריך חיבור לרשת 11.2024